-
Ditlevsen Import
- Udstødning
- Udstødningsflanger
- Advarselsblink
- LED arbejdslygter
- Pærer
- Lygter LED
- Relæer
- Restsalg
- Fjernstyrede søgelygter
-
Udstødning
- Vælg bilmærke
- Flexrør til udstødning
- Flexslange
- Udstødningsflanger
- Monteringsdele, udstødning
- Udstødningsbøjninger
- Rustfri ståluld
- Katalysator universal
- Lambda-emulator / Mini-katalysator
- Gevind, propper, rør
- Perforerede rør i rustfrit stål
- Reduktioner / Samlemuffer
- Reparationssæt udstødning
- Resonator, udstødning
- Rørsamler udstødning
- Svejsekraver, krave udstødning
- Udstødningsklap
- Y fordelerrør
- Traktor udstødning
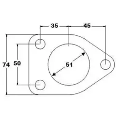
Udstødningsflanger til påsvejsning – Rustfrit og sort stål
Stort udvalg af udstødningsflanger til påsvejsning på biler, lastbiler og maskiner. Flangerne fås i rustfrit stål og sort stål, så du kan vælge den løsning, der passer til dit køretøj og anvendelse. Hurtig levering eller afhentning hos Ditlevsen Import.
Hos Ditlevsen Import finder du et bredt udvalg af udstødningsflanger, designet til på-svejsning på biler, lastbiler og maskiner. Flangerne bruges til at samle udstødningssystemer, katalysatorer og fleksible sektioner på en tæt og holdbar måde, og de sikrer korrekt funktion uden lækager eller støj.
Flangerne fås i to materialer:
- Rustfrit stål – korrosionsbestandigt, lang holdbarhed, perfekt til udendørs brug.
- Sort stål – billigere løsning til kortere levetid eller hvor flangen ikke udsættes for vand og fugt.
Med vores udvalg får du flanger i forskellige størrelser og typer, klar til påsvejsning, så du kan tilpasse systemet præcist. Hos Ditlevsen Import tilbyder vi hurtig levering eller afhentning, så du hurtigt kan få dit udstødningssystem på plads.
Fordele:
- Passer til biler, lastbiler og maskiner
- Tæt og holdbar samling af udstødning
- Fås i rustfrit stål eller sort stål
- Klar til påsvejsning for præcis pasform
- Hurtig levering eller afhentning